为夯实学生工程图学基础,检验假期实训学习成效,2026年3月19日,我院机械设计制造及其自动化专业开展假期工程图学实训作业图纸答辩会。本次答辩由机械专业郭墅、宋春雨、张汝新三位教师担任评委,机械专业1-4班、专升本3年制学生,以及机器人专业、自动化专业的学生共同参与。


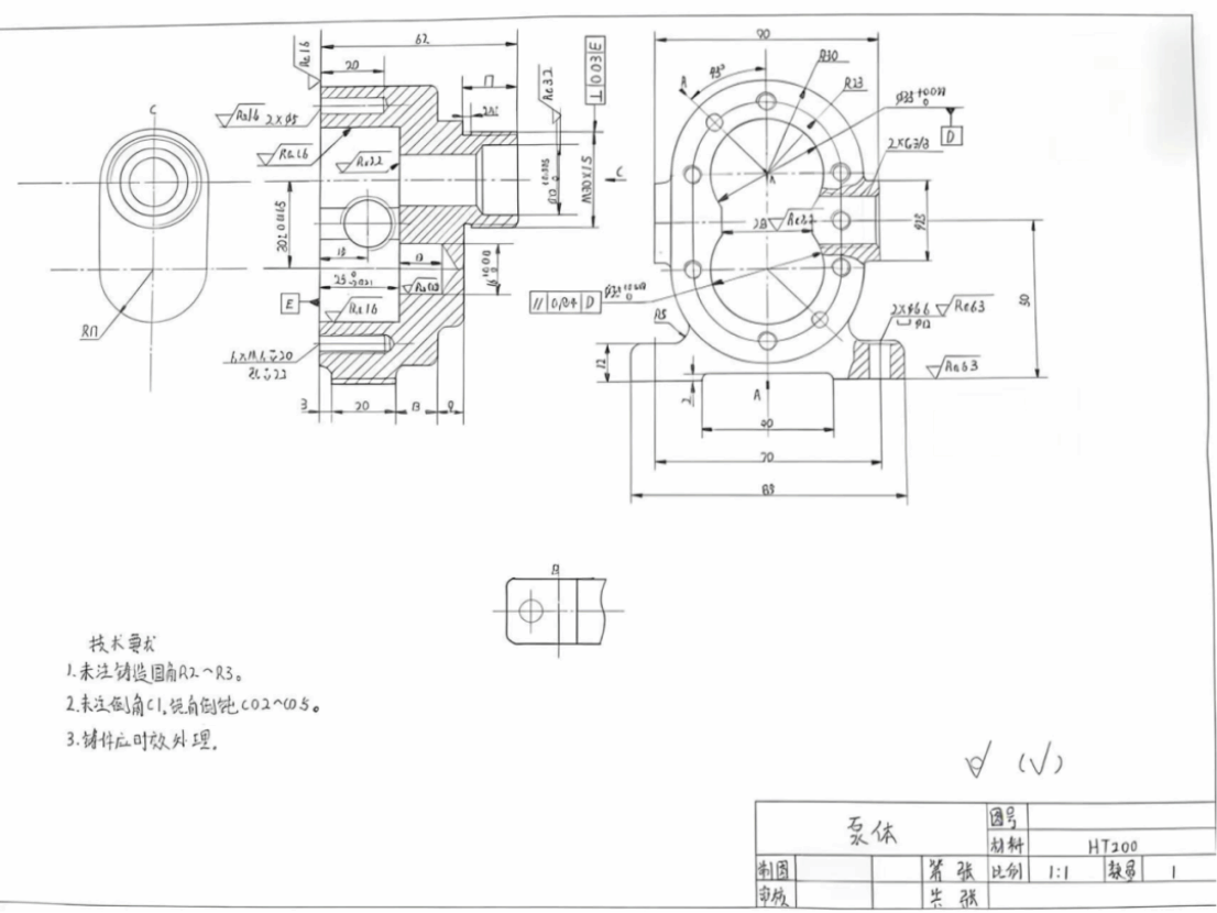
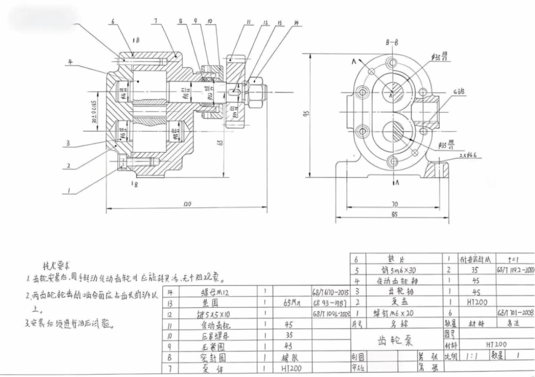
答辩现场,同学们依次走上讲台,结合自己绘制的齿轮油泵等工程图纸,从设计思路、制图规范、尺寸标注、技术要求等方面进行详细阐述。
评委老师们认真审阅图纸,对照学生的现场汇报逐一提问,针对图纸中的细节问题、规范疏漏和优化方向给出专业指导,帮助学生厘清工程制图逻辑,强化规范意识。

此次答辩会不仅是对学生假期学习成果的全面检阅,更是一次生动的工程实践教学。通过“以评促学、以评促练”的方式,有效提升了学生的识图绘图能力和工程素养,为后续专业课程学习和工程实践打下了坚实基础。 (教师供稿:张汝新)
文字:张汝新
图片:郭 墅
美编:刘美慧
校对:苏文婷、于浩然
初审:侯美伊
复审:臧连兴
终审:刘 洋